S64DB-12-135
  • S64DB-12-135 S64DB-12-135

S64DB-12-135

Modelis:S64DB-12-135

HCIC S64DB-12-135 hidrauliniai cilindrai: aukščiausios kokybės, pritaikomos parinktys pasaulio pramonės pirkėjams. Patikimos specifikacijos, pastovus veikimas, tiesioginiai gamyklos pasiūlymai – idealiai tinka statybos, kasybos ir žemės ūkio pirkimams.

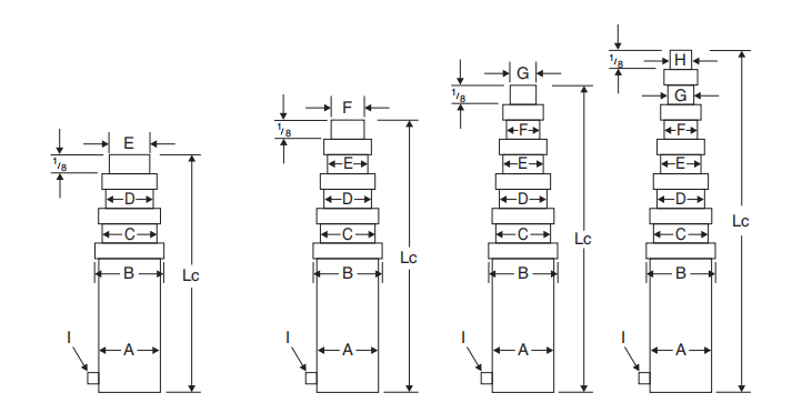
  • Number Stages:

    4
  • Nominal Stage OD:

    6
  • Stroke:

    135
  • Closed:

    47.19
  • Open:

    182.19
  • Pin:

    1.75
  • Width:

    8

Siųsti užklausą

Prekės aprašymas

Pramoninės įrangos pirkėjams. Tai yra HCIC S64DB-12-135 cilindro informacija. Pagrindinės specifikacijos, pastatymo kokybė, kur naudoti, individualios paslaugos. Viskas praktiška. Jokių pūkų.


customizable hydraulic cylinders


parker multi-stage hydraulic cylinders


I. Pagrindinės specifikacijos: tinka daugumai diegimo darbų


HCIC S64DB-12-135 = standartinis dizainas. Tinka daugumai pramoninių mašinų. Galios perdavimas, montavimas – jokių problemų.


• Struktūriniai matmenys:Išorinis skersmuo 6. 4 pakopos. Smūgis 135. Ilgis uždarytas 47,19. Prailgintas ilgis 182,19. Kompaktiškas. Tinka standartinėms mašinos tvirtinimo angoms.

• Montavimo suderinamumas:Smeigtukų dydžiai 1,75 / 1,5. Atitinka pločius 8 / 2,69. Suvirinimas, vyriai - abu veikia. Daugumai mašinų nereikia jokių modifikacijų.

• Pagrindinis našumas:Standartinis pramoninis sandariklis. Važiuoja be sustojimo įprastomis sąlygomis. Atitinka bendrus hidraulinio slėgio standartus.


heavy-duty hydraulic cylinders


II. Sukūrimo kokybė: patikima, be gedimų


Mes tikriname kiekvieną žingsnį. Nuo žaliavų iki siuntimo. Jokių nuorodų. Tiesiog pastovi kokybė.


(1). Žaliavos:Statinė = 45 # besiūlis plieninis vamzdis. Stūmoklio kotas = gesintas + chromuotas. Atsparus dilimui, atsparus rūdijimui. Tinka nuolatiniam pramoniniam naudojimui.

(2). Apdorojimas ir surinkimas:Cilindro vidinė sienelė = šlifuota lygi. Stūmoklis juda neužstrigęs. Pramoniniai sandarikliai = mažesnis alyvos nuotėkis.

(3). Kokybės patikrinimas:Kiekvienas cilindras praeina 3 bandymus. Slėgio bandymas. Insulto testas. Sandarinimo testas. Išsaugome visus testo duomenis. Tik perduoti = išsiųsti.

dump hydraulic cylinder

III. Taikymo scenarijai: tinka visų tipų įrangai


S64DB cilindrai tinka daugeliui pramonės sričių. Tvirtos galios dalys mašinoms.


• Statybinė technika:Ekskavatoriai, krautuvai. Tinka sijų ir kaušų pavaroms. Rankenos pakelia, teleskopuoja, suka. Tinka kasdieniams statybos darbams.

• Metalurgija ir kasyba:Krosnies reguliavimas, trupintuvo padavimo valdymas. Veikia sunkioje aplinkoje. Atitinka pagrindinius lauko reikalavimus.

• Žemės ūkio technika:Sėjamosios, kombainai. Reguliuoja sėjimo gylį, pakelia antgalius. Padaro ūkininkavimą efektyvesnį.

• Speciali įranga:Keisti parametrus. Tinka oro keltuvams, šiukšlių presams. Pagrindinis galios palaikymas – atlikta.


IV.DUK

Praktiški atsakymai į jūsų klausimus apie HCIC S64DB-12-135 hidraulinį cilindrą, įskaitant specifikacijas, suderinamumą, kokybę ir pritaikymą.

📏 Pagrindinės specifikacijos ir suderinamumas

K: Ar HCIC S64DB-12-135 cilindras tiks mano standartinei pramoninei mašinai be pakeitimų?

A: Visiškai. HCIC S64DB-12-135 yra standartinio dizaino hidraulinis cilindras su kompaktiškais konstrukciniais matmenimis (išorinis skersmuo 6, uždaras ilgis 47,19, pailgintas ilgis 182,19) ir suderinamo kaiščio dydžių (1,75 / 1,5) ir pločio (8 / 2,69). Jis tinka daugumai standartinių mašinų tvirtinimo angų, tiek suvirinimo, tiek vyrių montavimo darbams – daugumai pramoninių mašinų nereikia jokių modifikacijų, kad būtų galima jį įdiegti galios perdavimo ar kitoms užduotims atlikti.

K: Kokios yra pagrindinės HCIC S64DB-12-135 cilindro konstrukcijos ir veikimo specifikacijos?

A: HCIC S64DB-12-135 turi 4 etapus, 135 colių eigą, uždarą ilgį 47,19 colio ir išplėstinį 182,19 colio ilgį. Jis naudoja standartinius pramoninius sandariklius, veikia be sustojimo įprastomis pramoninėmis sąlygomis ir atitinka bendrus hidraulinio slėgio standartus. Dėl kompaktiškos konstrukcijos jis idealiai tinka ankštose montavimo vietose daugelyje pramoninių mašinų.

K: Kokios tvirtinimo parinktys galimos HCIC S64DB-12-135 cilindrui?

A: Šis cilindras palaiko du įprastus pramoninio montavimo būdus: suvirinimą ir vyrį. Jis tiekiamas su suderinamų kaiščių dydžiais (1,75 ir 1,5) ir atitinka standartinį mašinos plotį (8 ir 2,69), todėl galite jį montuoti naudodami geriausiai jūsų įrangai tinkantį metodą – daugumai mašinų nereikia pasirinktinių tvirtinimo adapterių.

Kl.: Ar HCIC S64DB-12-135 cilindras gali atlaikyti nuolatinį nenutrūkstamą pramoninį naudojimą?

A: Taip. Jis pagamintas su standartiniais pramoniniais sandarikliais ir atitinka bendrus hidraulinio slėgio standartus, todėl jis gali veikti be perstojo įprastomis pramoninėmis sąlygomis. Šlifuota lygi vidinė cilindro sienelė užtikrina, kad stūmoklis judėtų neprilipdamas, o aukštos kokybės medžiagos atsparios nusidėvėjimui – puikiai tinka kasdieniam nuolatiniam naudojimui statybinėse, žemės ūkio ar metalurgijos mašinose.

⚙️ Kurkite kokybės ir taikymo scenarijus

Kl .: Kokios medžiagos naudojamos HCIC S64DB-12-135 cilindrui gaminti ir kiek jis patvarus?

A: Cilindro cilindras pagamintas iš 45# besiūlio plieno vamzdžio, o stūmoklio kotas yra gesintas ir chromuotas – šis derinys atsparus nusidėvėjimui ir rūdijimui, puikiai tinka įprastam pramoniniam naudojimui. Vidinė sienelė yra lygiai šlifuota, kad stūmoklis nepriliptų, o pramoniniai sandarikliai sumažina alyvos nuotėkį – visa tai užtikrina ilgalaikį ir patikimą veikimą be netikėtų gedimų.

Kl .: Kokius kokybės testus atlieka HCIC S64DB-12-135 cilindras prieš išsiunčiant?

A: Kiekvienas HCIC S64DB-12-135 cilindras, prieš jį išsiunčiant, praeina 3 griežtus bandymus: slėgio bandymą (kad atitiktų hidraulinius standartus), eigos bandymą (siekiant užtikrinti sklandų judėjimą) ir sandarinimo testą (siekiant išvengti alyvos nuotėkio). Išsaugome visus bandymo duomenis, kad galėtume pasinaudoti ateityje, ir niekada nesiunčiame baliono, kuris neatitinka visų trijų – jokių nuorodų, tik pastovi kokybė.

K: Kokioms pramonės sritims ir mašinoms tinka HCIC S64DB-12-135 cilindras?

A: Šis cilindras yra universalus ir tinka daugeliui pramonės sričių. Tinka statybinei technikai (ekskavatoriai, strėlės/kaušo pavaros krautuvai), metalurgijos ir kasybos įrangai (krosnių reguliavimas, smulkintuvo padavimo reguliavimas), žemės ūkio technikai (sėjamiesiems, kombainams sėjimo gyliui reguliuoti) ir specialiajai įrangai (oro keltuvams, šiukšlių tankintuvams) – tai tvirta galios dalis visų rūšių pavaroms.

K: Ar HCIC S64DB-12-135 cilindras gali gerai veikti sunkioje kasybos ar metalurgijos aplinkoje?

A: Taip. Užgesintas ir chromuotas stūmoklio strypas atsparus rūdijimui ir nusidėvėjimui, o 45# besiūlis plieninis vamzdis yra pakankamai tvirtas, kad atlaikytų atšiaurias kasybos ir metalurgijos objektų sąlygas. Jis skirtas krosnies reguliavimui ir smulkintuvo padavimo kontrolei ir atitinka pagrindinius lauko reikalavimus – jums nereikės jaudintis, kad jis suges, kai to labiausiai reikia.

🛡️ Tinkinimo ir bendradarbiavimo privalumai

Klausimas: Ar galiu pritaikyti HCIC S64DB-12-135 cilindrą, kad jis atitiktų mano specialius įrangos poreikius?

A: Visiškai. Jei standartinis HCIC S64DB-12-135 ne visai tinka jūsų mašinai, siūlome pasirinktinius hidraulinius sprendimus. Konstrukciją, eigą, montavimo stilių ir sandariklius galime pakoreguoti atsižvelgdami į jūsų konkrečius poreikius – tiesiog dirbkite vienas prieš vieną su mūsų technine komanda, kad patikrintumėte jūsų mašinos aplinką, energijos poreikius ir montavimo vietą, o mes sukursime jums pritaikytą sprendimą.

Kl .: Koks yra tinkintos HCIC S64DB-12-135 cilindro versijos gavimo procesas?

A: Pasirinktinis procesas yra paprastas: 1) Pirma, mūsų techninė komanda pasikalba su jumis, kad patvirtintų jūsų poreikius ir sukurtų aiškų poreikių dokumentą. 2) Tada pakoreguojame cilindro specifikacijas ir atsiųsime jums patvirtinančius brėžinius. 3) Kai patvirtinsite, pagaminsime (pirmas atėjai, tas pirmas) ir išsiųsime pasirinktu būdu (gabenimas jūra/oru tarptautiniams klientams). 4) Galiausiai teikiame montavimo ir naudojimo pagalbą po pardavimo.

Kl .: Kokius privalumus aš gaunu užsakydamas HCIC S64DB-12-135 cilindrą tiesiai iš jūsų gamyklos?

A: Užsakymas tiesiogiai iš mūsų HCIC gamyklos turi du didelius privalumus: pirma, kainos pranašumas – nėra tarpininkų, todėl sutaupysite išlaidų, o masiniams užsakymams taikomos geresnės nuolaidos. Antra, užsienio prekybos palaikymas – pateikiame dokumentus keliomis kalbomis, muitinės kodekso patarimus, padedame sutvarkyti deklaracijos dokumentus, todėl tarpvalstybinis pirkimas vyksta sklandžiai. Mes taip pat siūlome standartinę garantiją ir nemokamą remontą / dalis ne žmogaus padarytos žalos atveju.




V. Individualios paslaugos: paverskite cilindrus kaip jums patinkančius


Specialūs poreikiai? Turime paprastą procesą. Individualūs hidrauliniai sprendimai jums.


(1). Reikia pasikalbėti:Mūsų technikos komanda kalbasi vienas prieš vieną. Patvirtinkite įrenginio aplinką, energijos poreikius, montavimo vietą. Pateikite aiškius poreikius doc.

(2). Projektavimo etapas:Sureguliuokite struktūrą, eigą, tvirtinimą, sandariklius. Pagal jūsų poreikius. Atsiųskite jums brėžinius, kad patvirtintumėte.

(3). Gamyba ir pristatymas:Individualūs užsakymai = pirmas atėjai, tas pirmas. Įprasti pasirinktiniai modeliai = standartinis pristatymo laikas. Krovinių gabenimas jūra/oru pasauliniams klientams.

(4). Pagalba po pardavimo:Standartinė garantija. Žala, nesusijusi su žmonėmis = nemokamas remontas / dalys. Techninė karštoji linija = bet kuriuo metu atsako į diegimo / naudojimo klausimus.


double-acting telescopic hydraulic cylinders

VI. Bendradarbiavimo pranašumai: lengvi pasauliniai pasiūlymai


HCIC = profesionali hidraulinių cilindrų gamykla. Gera dirbti su pasauliniu mastu klientams.


• Kainos pranašumas:Tiesiogiai iš gamyklos. Jokių tarpininkų. Sutaupykite išlaidas. Masiniai užsakymai = geresnės nuolaidos.

• Užsienio prekybos parama:Daugiakalbiai dokumentai. Muitinės kodekso patarimai. Pagalba su deklaracijų dokumentais. Tarpvalstybinis pirkimas = sklandus.


VII.Susisiekite su mumis:

HCIC yra profesionalus hidraulinių sistemų gamintojas, daugiausia užsiimantis hidraulinių sistemų projektavimu, gamyba, montavimu, transformavimu, paleidimu ir hidraulinių komponentų prekės ženklo pardavimu bei techninėmis paslaugomis. Tikimės, kad mūsų produktas gali padėti sutaupyti jūsų išlaidas ir pagerinti kokybę.Norėdami gauti daugiau informacijos, rašykite mums „davidsong@mail.huachen.cc“ arba „Google“ ieškokite „HCIC hydraulic“


Hot Tags: S64DB-12-135, Gamintojai, Tiekėjai, Didmeninė prekyba, Individualus, Sandėlyje, Atsisakytas sunkvežimis, Kinija, Sniego valytuvas

Susijusi kategorija

Siųsti užklausą

Nedvejodami pateikite savo užklausą žemiau esančioje formoje. Mes jums atsakysime per 24 valandas.
X
Naudojame slapukus siekdami pasiūlyti geresnę naršymo patirtį, analizuoti svetainės srautą ir suasmeninti turinį. Naudodamiesi šia svetaine sutinkate su mūsų slapukų naudojimu. Privatumo politika
Atmesti Priimti